中小型发电机
日本大新
日本久保田
日本雅马哈
日本国际久保
日本英杰尔
日本泽藤
意大利莫萨
意大利隆巴帝尼
日本洋马
日本电友
日本罗宾
闽东本田
重庆隆鑫
无锡开普
大型发电机组
英国威尔信
美国康明斯
美国康明斯OEM
韩国斗山OEM
英国珀金斯OEM
瑞典富豪OEM
上柴股份
潍柴
江都恒源
发电电焊机.焊机
日本英杰尔
日本泽藤
意大利莫萨
日本国际久保
无锡开普
日本电友
日本电王
美国林肯
日本松下
水泵
日本大新
日本鹤见
嘉陵本田
日本雅马哈
重庆隆鑫
无锡开普
小型工程机械
瑞典富世华
德国威克
日本蓝通照明车
北京戴蒙德
空气压缩机
瑞典阿特拉斯
美国英格索兰
美国巨霸
国产空压机
通用发动机
日本雅马哈
日本本田
仪器仪表
美国罗斯蒙特
美国福禄克
英国雷迪
德国GMC
德国EPK
日本新宇宙
德国美翠
美国泛美
澳大利亚PCWI
英国Elcometer
法国奥德姆
美国泰克
美国雷泰
日本理音
磁座钻•手动压力机
美国LAMINA
德国百得
日本日东
德国欧霸
德国锐科
德国泛音
NAKA手动压力机
诺霸倍增器
管道工具
美国esco
日本力克士
日本日东
德国罗森博格
德国瑞马
美国里奇
液压工具
美国LAMINA
日本大亚
美国power team
美国恩派克
台湾OPT
电动工具•水钻
德国博世
日本牧田
日本牧科
日本日立
德国麦太保
瑞士喜利得
德国多马
台湾德丰
江苏东成
气动工具
日本东空
日本碧牌
日本日东
美国巨霸
德国博世
台湾宏斌
手动工具
美国史丹利
美国世达
中泊防爆
工具附件 配件
德国博世
日本优尼卡
加拿大天赋
日本力克士
瑞士喜利得
发电机配件
产品相关帮助
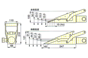
LW系列液压提升器
LW-16 液压提升器和LWB-1可选项
使用案例
LW-16适用于狭小空间顶升重型设备。
技术参数
最大顶升力
ton(KN)
行程
(mm)
型号
最小间隙
(mm)
最大工作压力
(bar)
油量
(cm3)
(kg)
16(157)
21
LW-16
10
700
78
9.0
版权所有:天津市川田机电销售有限公司
销售热线:022-24450227 产品在线咨询: